Bồn Cầu CAESAR CD1347 1 Khối Nắp Êm
- CN1 - Song Út - 035 5757 102 - 122, Phan Chu Trinh, Ấp Vĩnh An 3, Xã Trị An, ĐN
- CN2 -Song Út - 038 7863 102 - 56, Tỉnh lộ 767, Ấp Vĩnh An 6, Xã Trị An, ĐN
Chi tiết
Sản phẩm bỏ mẫu, hết hàng
– Dòng sản phẩm bồn cầu Caesar CD1347 cao cấp của thương hiệu Nội thất phòng tắm Caesar cao cấp
– Thiết kế mới sang trọng hơn kết hợp với những tính năng cải tiến ưu việt mang đến cho khách hàng sự tiện nghi và thỏai mái khi sử dụng
– Bồn cầu CAESAR 1 khối CD1347 cao cấp ứng dụng kỹ thuật xả hút êm ái, hạn chế tối đa tiếng ồn khi xả nước.
Thông số kỹ thuật của bồn cầu CAESAR CD1347
– Mã số: CD1347
– Loại bàn cầu: Một khối
– Màu sắc: Màu trắng (PW)
– Chế độ xả: 2 nút nhấn
– Lượng nước xả: 3/6L
– Hệ thống xả: Xả hút
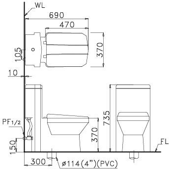
Thông tin lắp đặt bệ xí bệt CD 1347
– Tâm thoát phân: 300 mm
– Kiểu thoát phân: Thoát xuống sàn
– Áp lực nước: 0.7-5 kgf/cm² (0.07-0.5MPa)
– Nắp bàn cầu êm: M236
Bản vẽ kỹ thuật bệt vệ sinh C1347














